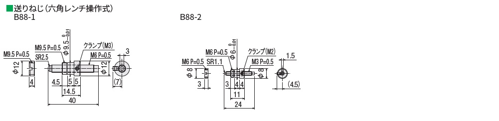
スペック
見積リストに追加する| 基本項目 | 型式 | B88-1 |
|---|---|---|
| CAD |
|
|
| 定価 (1台) | 3,000円 | |
| RoHS対応 | RoHS10物質対応 | |
| 基本仕様 | ツマミタイプ | 六角レンチ操作 |
| ストローク[mm] | ±6.5 | |
| ねじピッチ[mm/1回転] | 0.5 | |
| 自重[kg] | 0.015 |




