精密位置決めステージ・光学機器・光センサ・ファイバ調芯機器の駿河精機株式会社

KWG06030-CA-K(XYZ軸リニアボールガイド:KWG06030)

スペック ※生産終了品

基本項目 型式 KWG06030-CA-K
CAD
定価(1台) 413,000円
定価(2台~) 362,000円
RoHS対応 RoHS10物質対応
お知らせ 後継機:KWG06030T-C-A-K
基本仕様Ⅰ ステージ面サイズ 60×70mm
移動量[mm] 30
耐荷重[kgf] 3
耐荷重[N] 29.4
ボールねじφ径
-リード[mm]
φ8リード1
ガイド リニアボールガイド
主材質 ステンレス-無電解ニッケルメッキ処理
基本仕様Ⅱ 【コントローラ】
DS102/DS112
対応
モータオプション 5相ステッピングモータ
(標準)
付属ケーブル 標準ケーブル
2m両端コネクタ
グリース交換 LG2(クリーングリース)
MAXスピード
[mm/sec]
20
分解能 2μm/パルス(Full-step)
分解能:Half 1μm/パルス(Half-step)
分解能:マイクロステップ
1/20分割(パルス)
[μm]
0.1μm/パルス(1/20分割マイクロステップ)
停止精度 単軸精度仕様
一方向位置決め精度
[μm以内]
5
単軸精度仕様
繰返し位置決め精度
[±μm以内]
0.5
単軸精度仕様
ロストモーション
[μm以内]
1
移動精度 単軸精度仕様
真直度[μm以内]
3
単軸精度仕様
ピッチング[″以内]
20
単軸精度仕様
ヨーイング[″以内]
15
公差 単軸精度仕様
バックラッシ[μm以内]
1
センサ リミットセンサ
原点センサ
スリット原点センサ -
重量 自重[kg] 3.06
付属品 六角穴付ボルト M4-12[4本]

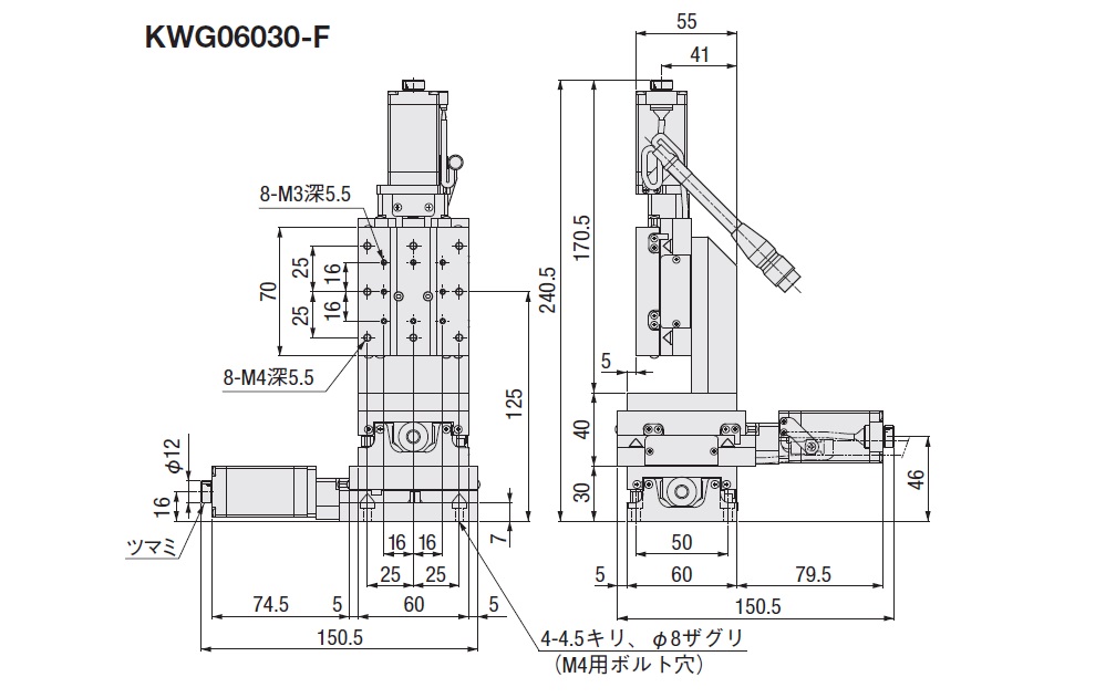
外形寸法図

型式構成・オプションコード

電気仕様・ケーブル結線図

グリース交換について

【精度保証】
<クリーン環境用グリース>
・グリース粘性抵抗が大きくなり、標準グリースタイプと同等のスペックを満足することが困難となります。
・特に微小ステップ送りについての追従性が低下する傾向となります。
・標準グリースタイプの1.5倍の停止性能値が精度保証値となります。
・CAVE-Xシリーズ・KXTシリーズ・KXSシリーズはクリーン環境用(AFF)が標準となるため、各製品紹介ページ掲載スペックの精度を保証します。
【精度保証】
<真空向けグリース>
・グリース粘性抵抗等により出荷精度のバラつきが発生します。
・各製品紹介ページに掲載されているスペックは保証外となります。
【交換箇所】
・ガイド、ベアリング部(シール付ベアリング及びサポートユニット除く)
・ボールねじ

※ボールねじ、ガイド、ベアリング(シールなしベアリングのみ)は洗浄後、塗布工程を行います。
※モータのグリース交換はできません。