製品情報
ユーザーサポート
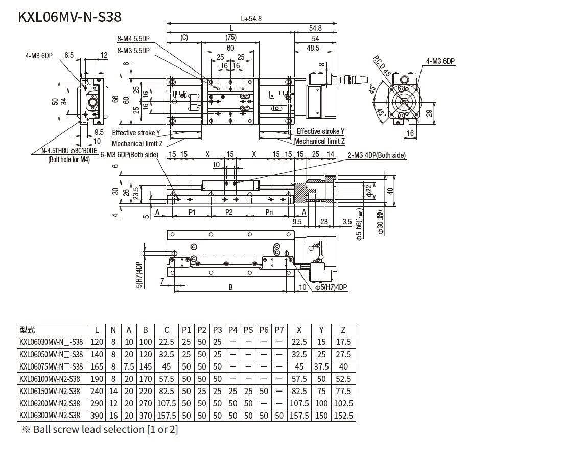
型式 を
見積リストに追加しました。
見積依頼を行う場合は、下記のサイズを指定して、「見積リストに追加する」ボタンを押して下さい。
「モータレスX軸リニアボールガイド:KXL06V-N」のPDFをダウンロードします。(ファイルサイズ:1.18 MB)
フォーマット 選択してください ダウンロード
ログアウト
CADデータの生成・ダウンロードには会員登録が必要となります。
メールアドレスを入力すると、パスワード再設定メールを送信します。
メールアドレス 送信