精密位置決めステージ・光学機器・光センサ・ファイバ調芯機器の駿河精機株式会社

Z軸スライドガイド:KZS18300

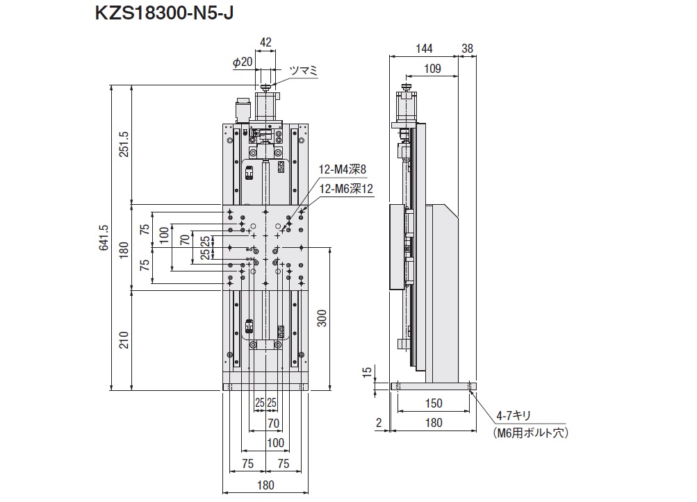
外形寸法図

型式構成・オプションコード

電気仕様・ケーブル結線図

グリース交換について

【精度保証】
<クリーン環境用グリース>
・グリース粘性抵抗が大きくなり、標準グリースタイプと同等のスペックを満足することが困難となります。
・特に微小ステップ送りについての追従性が低下する傾向となります。
・標準グリースタイプの1.5倍の停止性能値が精度保証値となります。
・CAVE-Xシリーズ・KXTシリーズ・KXSシリーズはクリーン環境用(AFF)が標準となるため、各製品紹介ページ掲載スペックの精度を保証します。
【精度保証】
<真空向けグリース>
・グリース粘性抵抗等により出荷精度のバラつきが発生します。
・各製品紹介ページに掲載されているスペックは保証外となります。
【交換箇所】
・ガイド、ベアリング部(シール付ベアリング及びサポートユニット除く)
・ボールねじ

※ボールねじ、ガイド、ベアリング(シールなしベアリングのみ)は洗浄後、塗布工程を行います。
※モータのグリース交換はできません。